Specialty laboratory systems

Biovis Metallographic Image Analysis System (MP 2000)

“Sophisticated and Powerful Image Analysis System for quantitative Metallographic analysis of Microstructures.” Biovis MP 2000 is a digital imaging system for high-performance analysis in materials microscopy—a dedicated imaging workstation for accurate results with efficient lab workflows, per the manufacturer MP 2000 page.

Introduction

Materials microscopy workstation

Biovis MP 2000 is designed for both sophisticated and routine analysis in material science. The system creates a dedicated imaging workstation so accurate results can be produced with just a few mouse clicks.

Introduction — Materials microscopy workstation

Analysis modules

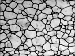
Grain size through coatings

Included analysis areas on the partner site: Grain Size; Nodularity; Graphite Flake; Porosity; Banding; Microhardness; Dendritic Arm Spacing; Phase/Volume fraction; Inclusion rating; Decarburization depth; Coating Thickness. Carousel examples continue with application imagery (1.jpg–12.jpg) on the manufacturer page.

Analysis modules — Grain size through coatings

Capture, masks, and export

Cameras and batch

Live image capture from within the software for supported cameras; one click captures several fields on the sample. Automatic analysis modes to reduce manual thresholding. Up to 16 binary masks from a single image, each usable for separate analysis. Export data and results to Text, Microsoft Word, or Excel for retrieval and archiving.

Capture, masks, and export — Cameras and batch

Automation and reporting

Stage, macros, reports

Optional motorized stage interface (optional, extra cost). Batch-run feature to analyze many fields unattended and generate complete statistical reports. Built-in macros in all modules; Macro Editor for user-customizable macros. Generate formatted reports with images and tables—print-ready or saved in Word; reports can match company formats.

Automation and reporting — Stage, macros, reports

Specifications, compliance claims, and pricing are defined by the manufacturer. Contact LabSeva Kart for current availability and documentation.

More examples

The manufacturer carousel includes additional slides (2..jpg through 12.jpg) illustrating metallography outputs.

Interested in this system?

LabSeva Kart can help you explore options and connect with the right channel.